Sistemi di chiusura porte e serramenti

Incontri elettrici magnetici per serrature Polaris

Da €183,49 IVA inclusa

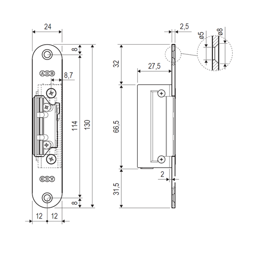
Contropiastra in acciaio preassemblata con blocchetto elettrico magnetico.
Utlizzo per serratre Polaris per porte a filo.
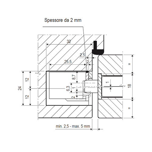
Muovendo la vaschetta ricevi scrocco è possibile una regolazione in pressione della porta di -1/+2 mm rispetto alla regolazione di fabbrica.
Per il fissaggio aplicare l'incontro con l'asse sfalsato di 1 mm da quello della serratura e fissare con 2 viti diametro 3,5 mm di lunghezza adeguata.
Tensione di esercizio: 10/24V CC/CA