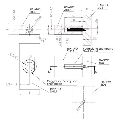
Mensolina reggipiano a scomparsa con funzionamento a molla
Completamente invisibile
Montaggio semplice e veloce
Spostamento del ripiano senza utensili: basta una leggera pressione
della mano per montarlo e per smontarlo
Idoneo per il premontaggio automatico nei pannelli
Per pannelli con spessore a partire da 12 mm
Anti-ribaltamento garantito
Resistente, in grado di sostenere sollecitazioni, spostamenti e
trasporti
Riciclabile al 100%
Realizzato in materiale plastico con molla in acciaio
