Sistemi di giunzione per mobili

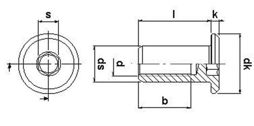
Borchie TPL con esagono

Da €47,88 IVA inclusa

Borcche fiklettate con testa piana larga con esagono incassato.
Realizzate in acciaio con finitura galvanica.