Ferramenta e accessori per mobili

raddrizza ante maniglia h 19 sx 2800 arg refilabili mm. 400

RAD AN ST402 2800 SX
€86,64 IVA inclusa

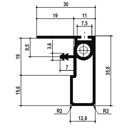
Profilato maniglia con tenditore raddrizza ante integrato
Per pannelli spessore fino a 19 mm.
Lunghezza mm. 2800 refilabile fino a mm. 2400
Realizzato in alluminio anodizzato argento
Da applicare al lato sinistro del pannello per avere la regolazione
dalla parte superiore (vista da esterno armadio)
Forza di tensionamento fino a 20 N



Confezioni di imballo: 20